Высокоскоростной цифровой осциллограф реального времени HDO-8180 - это высокопроизводительное широкополосное устройство сбора и измерения данных в режиме реального времени с максимальной полосой пропускания 18 ГГц, максимальной частотой дискретизации 80 Гвыб/с, максимальной глубиной хранения 2 Гвыб и максимальной скоростью захвата сигнала 500 000 осциллограмм/с.,
Высокоскоростной цифровой осциллограф обладает возможностями быстрого захвата сигнала, функциями измерения и отображения различных параметров и расширенной математикой, а также различными функциями по запуску и последовательному декодированию, анализу джиттера и другим функционалом. Данный осциллограф может быть использован во многих областях, таких как при разработке широкополосных радаров и средств электронного противодействия, разработка приемо-передающих устройств стандартов 5G и устройств оптической связи, спутниковая навигация и связь, а также при беспроводной передаче данных между автотранспортом (V2V).
Технические характеристики:
✔ Максимальная полоса пропускания: 18 ГГц;
✔ Максимальная частота дискретизации: 80 Гвыб/с;
✔ 4 аналоговых канала;
✔ Глубина памяти до 2 Гбит/с, скорость захвата сигнала 500 000 осциллограмм/с, что значительно повышает вероятность детектирования случайных событий;
✔ Проведение различных автоматических измерений, БПФ и другие функции для углубленного сбора и анализа данных.;
✔ Расширенные функции анализа, такими как тестирование глазковой диаграммы в режиме реального времени, анализ джиттера и т.д.;
✔ Функции высокоскоростного последовательного декодирования и анализа, например, шин PCIe, шин USB3.0 и т.д. (опционально);
✔ Мощный высокоточный цифровой триггер;
✔ 15-дюймовый, цветной, емкостный, сенсорный экран;
✔ Осциллографом можно управлять по локальной сети LAN, через GPIB и USB-интерфейс.;
✔ Команды дистанционного управления совместимы с аналогичными приборами сторонних производителей.
|
Частота дискретизации |
80 Гвыб/с:Включены только первый и третий каналы 40 Гвыб/с:При одновременной работе всех каналов |
|
Максимальная глубина памяти |
2 Гбит/с /на канал |
|
Режимы сбора данных |
СКЗ, высокое разрешение (Hight Res), Пик |
|
Скорость захвата сигнала |
500000 осциллограмм /с |
|
Горизонтальная развертка |
20 пс/дел – 20 с/дел |
|
Минимальный шаг |
20 пс/дел / соответствует основным настройкам шкалы времени |
|
Сегментированное хранилище |
Максимум 50000 сегментов |
|
Система вертикального отклонения |
|
|
Количество каналов |
4 |
|
Максимальная полоса пропускания |
18 ГГц |
|
Ограничение полосы пропускания |
10 ГГц、8 ГГц、6 ГГц、4 ГГц、Выкл. |
|
Входное сопротивление |
50 Ом±3% |
|
Разрешающая способность по вертикали |
8 бит |
|
Время нарастания / спада |
27 пс(от 10 до 90 %) |
|
Развязка по входу |
DC |
|
Диапазон установки коэффициента отклонения |
от 10 мВ/дел до 1В/дел |
|
Развязка между каналами |
от 0 до 10 ГГц:≥41.58 дБ(120:1) св. 10 до 12 ГГц:≥38.06 дБ(80:1) св. 12 до 18 ГГц:≥33.98 дБ(50:1) |
|
Точность усиления по постоянному току |
±3% |
|
Динамический диапазон |
±4 делений |
|
Система синхронизации |
|
|
Источник срабатывания |
1 Канал – 4 Канал
|
|
Чувствительность |
0.3 деления |
|
Минимальная ширина импульса для запуска |
300 пс |
|
Диапазон уровня срабатывания |
±4 делений |
|
Точность срабатывания |
500 фс |
|
Диапазон срабатывания |
от 100 нс до 10 с |
|
Режимы запуска |
Автоматический, однократный, ждущий |
|
Типы триггера |
Edge、Pulse width、slope、I2C、SPI、CAN、LIN、FlexRay、RS-232/422/485/UART、 USB、MIL-STD-1553B、PCI Express |
|
Шины, по которым возможно декодирование |
I2C、SPI、CAN、LIN、FlexRay、RS-232/422/485/UART、USB、MIL-STD-1553B、 PCIe |
|
Функции измерения и анализа |
||
|
Измерения |
Отображение формы сигнала, гистограмма, статистика |
|
|
Расширенные возможности |
Измерения глазковой диаграммы в режиме реального времени, анализ джиттера, БПФ |
|
|
Измерения уровня |
Amplitude, high, low, maximum, minimum, peak-to-peak, intermediate, periodic intermediate, RMS, periodic RMS, positive overshoot, negative overshoot |
|
|
Измерения времени |
Rise time, fall time, positive width, negative width, positive duty cycle, negative duty cycle, period, frequency, delay |
|
|
Дополнительные измерения |
Область, фаза, ширина пакета |
|
|
Измерение гистограммы |
Number of waveforms, number of points in the frame, number of peak points, intermediate value, maximum value, minimum value, peak-to-peak value, average value (µ), standard deviation (sigma), µ+1sigma, µ+2sigma, µ+3sigma |
|
Математические операции
|
Алгебраическое выражение |
Определение широкого спектра алгебраических выражений, включая форму сигнала, скаляры, настраиваемые пользователем переменные и результаты измерений параметров |
|
Арифметика |
Сложение, вычитание, умножение и деление сигналов и скаляров |
|
Функции в частотной области |
Спектральная амплитуда и фаза, действительная и мнимая части |
|
Математические функции |
Среднее, обратное, интегральное, дифференциальное, квадратный корень, показатель степени、Log 10、Log e、Abs、Ceiling、 Floor、Min、Max、Sin、Cos、Tan、ASin、ACos、ATan、Sinh、Cosh、Tanh |
|
Реляционные операции |
>、<、≥、≤、==、!= Сравниваемые логические значения |
|
Вертикальные единицы измерения |
Амплитуда: линейная, дБ, дБм, Фаза: градусы, радианы |
|
Оконные функции |
Rectangle、Hamming、Hanning、Kaiser-Bessel、Blackman-Harris、Gaussian、 Flattop2 |
Отображение формы сигнала
|
Формат отображения |
YT、XY |
|
Виды отображения |
Вектор, точечная форма, переменное послесвечение, бесконечное послесвечение |
|
Основные характеристики
|
|
|
|
|
|
Рабочие условия эксплуатации: - температура окружающей среды |
от 0 до +40 ℃ |
|
Условия хранения и транспортирования: - температура окружающей среды |
от -40 до +70 ℃ |
|
Параметры электрического питания: - напряжение переменного тока - частота переменного тока |
от 198 до 245 В от 47.5 до 52.5 Гц
|
|
Потребляемая мощность |
менее 1000 Вт |
|
Способ отвода тепла |
Отвод тепла с воздушным охлаждением |
|
Хранение данных |
SSD 128GB |
|
Экран |
15 дюймов, разрешение 1600×1200 |
|
Габаритные размеры (ширина × глубина × высота), без ножек и ручек |
426 × 550 × 315 мм |
|
Масса |
менее 40 кг |
|
Наработка на отказ |
более 5000 ч |
Основные применения
Поддержка автоматических измерений с использованием всей аппаратной памяти, измерения различных параметров, отображение формы сигнала и, одновременно, поддержка статистического анализа; поддержка курсорных измерений и т.д.
Анализ результатов измерений
Курсорные измерения
Поддержка функции анализа гистограмм, статистической обработки данных измерения параметров и представления в виде гистограммы позволяет пользователям наблюдать за результатами измерений параметров в течение длительного периода времени и быстрее находить потенциальные отклонения в сигнале.
Вертикальная гистограмма
|
|
Поддержка тестирование на работоспособность / отказ. Данное тестирование может быть применено для долговременного отслеживания сигналов, для мониторинга сигналов во время проектирования либо при тестировании на производственной линии. Пользователь устанавливает правила тестирования с помощью “референса“ и сравнивает измеренный сигнал с ”референсной" формой сигнала, также, в результатах тестирования, возможно отображание статистической информации.
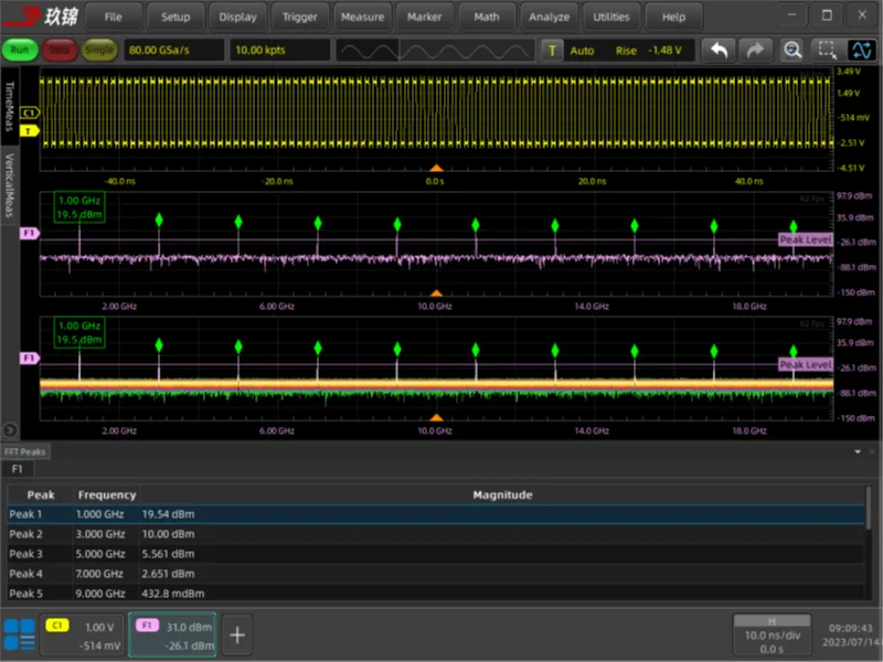
Анализ спектра в режиме реального времени
Использование технологии наложения БПФ и цифровой флуоресценции значительно повышает частоту обновления БПФ, значительно повышает вероятность захвата узких импульсов или переходных сигналов и расширяет возможности по обнаружению случайных событий. Данный анализ обеспечивает функцию поиска пиков, которая позволяет автоматически отмечать несколько пиков и измерять их с помощью курсора, что значительно повышает эффективность работы инженеров.
а
Функции по запуску и декодированию протоколов
Осциллограф реального времени поддерживает множество типов триггеров, таких как edge trigger, pulse width trigger, slope trigger, and bus trigger, которые помогут инженерам быстро находить и изолировать интересующие сигналы. Поддерживается большое количество протоколов декодирования последовательных шин, включая I2C, SPI, CAN, LIN, FlexRay, USB, RS-232/422/485/UART, MIL-STD-1553B, PCIe.
Декодирование последовательной шины
Функция поиска
Помогает пользователям быстро находить конкретные события из захваченных сложных сигналов и отмечать их. Функция поиска по форме сигнала позволяет задавать критерии поиска, в том числе: фронт, длительность импульса, период и т.д.
Анализ глазковой диаграммы в режиме реального времени и измерение дджиттера
Осциллограф обладает мощными функциями по анализу глазковых диаграмм и измерениям дджиттера. Позволяет измерить различные параметры глазковых диаграмм, включая eye height, eye width, cross и т.д. Поддерживает различные методы восстановления тактовой частоты, в том числе: постоянную тактовую частоту, фазовую автоподстройку первого порядка, фазовую автоподстройку второго порядка и внешнюю синхронизацию.
|
Информация о конфигурации и заказе |
|
|
Модель |
Описание |
|
SW-PDS8000A |
|
|
Принадлежности |
|
|
1169B |
Дифференциальный активный пробник |
|
Запуск и декодирование |
|
|
PDS8000-LSPD |
I2C、SPI、CAN、LIN、FlexRay、RS-232/422/485/UART、MIL- STD-1553B |
|
PDS6000-PCIE |
PCIE |
|
PDS6000-ENTH |
Ethernet (100Bsase-T1, 1000Bsase-T1) |
|
PDS6000-USB2.0 |
USB2.0 |
|
PDS6000-USB3.0 |
USB3.0 |
|
PDS6000-EYE |
Анализ глазковой диаграммы в режиме реального времени: clock recovery: constant, first-order phase-locked loop, second-order phase-locked loop, external clock |
|
PDS6000-JITTER |
Анализ джиттера |
|
Информация о программном обеспечении |
|
|
Операционная система |
Windows 10 (64 бит) |
|
Интерфейсы управления |
GPIB、LAN、USB |
|
SCPI Recorder |
Функция записи команд SCPI, включая создание различных скриптов |
Цифровые осциллографы реального времени серии HDO включены в ГосРеестр СИ.
HDO-8180 Высокоскоростной осциллограф реального времени поставляется под заказ. Цена по запросу.